Kliknutím se vrátíte na úvod webu
Nastavitelné RGB LED neony - Autor Armen H. - www.micro-ohm.net
Tato úprava je nepovolená pro provoz na pozemních komunikacích - viz FAQ
     Tento výrobek mě napadlo vytvořit tehdy, když jsem všude viděl u přátel tuningovaná auta s neony a světly. Jelikož tato světla do auta stála cca 250 Kč a neony okolo 2 000 Kč, rozhodl jsem se, že vytvořím vlastní „LED NEONY“, u kterých budu moci nastavit jejich barvu a také si zvolit druh blikáni a její frekvenci. Hlavním důvodem, proč jsem si vytvořil své vlastní neony byly jednak finance, kde jsem se snažil o co nejmenší náklady a jednak to, že jsem si mohl dle vlastního výběru nastavit libovolnou frekvenci blikání a barvu neonu.

KONSTRUKCE:
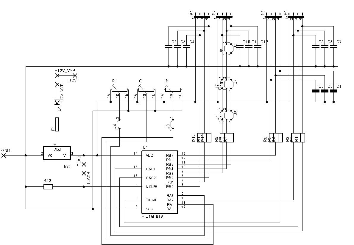
     Celý přístroj je umístěn na jednostranné desce o rozměrech 94 x 66 mm. Mozkem ovládaní je PIC16F819, který zpracovává veškeré informace a reaguje na ně. Přistroj má i své bezpečnostní prvky v podobě pojistky. Stačí jen, aby odběr vzrostl nad 100mA a pojistka se přeruší a odpojí přistroj od napájecího napětí. Také je chráněn vůči nechtěnému prohozeni pólu napájecího napětí, diodou D1. Kondenzátory C1-C12 slouží jako filtry. Potenciometry R,G,B nastavujeme poměr napětí pro A/D převod. Integrovaný obvod 7805 převádí 12 voltové napětí na stabilizované napětí 5 voltu. Výroba celého přístroje je velmi jednoduchá s použitím co nejméně součástek.

DOWNLOAD:

Kliknutím otevrete PDF dokument
DPS + osazené součástky
velikost 1:1 - tisk

915 kB

OŽIVENÍ:
     Po zapnuti budete muset nastavit barvu 1. LED, po nastaveni stiskněte tlačítko a nastavte 2. LED a pokračujte stejným postupem až k LED číslo 4. a po jejím nastaveni opět stiskněte tlačítko. Mikroprocesor uloží barvy všech LEDek do své pamětí EEPROM a přepne se do režimu módu. V tomto režimu si budete moci vybrat z pěti módů. V prvním módu (aktivní mód) budou neony svítit těmi barvami, které jste nastavili. Mód se uloží do EEPROM a po stisknutí tlačítka se dostanete do dalšího módu.V 2. módu budou zároveň blikat první dvě LEDky a poté další dvě LEDky. Zde budete muset nastavit rychlost blikáni potenciometrem R. Po nastaveni periody stiskněte tlačítko. Nastavení se uloží do EEPROM, po dalším stisku se dostanete do dalšího módu. V 3. módu budou LEDky blikat postupně za sebou - i zde si budete moci nastavit periodu blikání stejným potenciometrem R. Po nastaveni opět stiskněte tlačítko pro potvrzeni a uložení nastavení do EEPROM a opět po stisku se dostanete na další mód. V 4. módu LEDky blikají stroboskopicky. Tady se rychlost blikání nenastavuje. Údaj o módu se uloží do EEPROM, po stisknutí tlačítka se dostanete do posledního módu, který slouží spíše jako ukázka barev, které se dají na neonech nastavit. Opět se mód uloží do EEPROM a po stisknutí tlačítka se dostanete zpět do módu 1.
     Důvod, proč se veškerá informace ukládá do EEPROM je takový, že i pokud vypnete přístroj od zdroje napětí a potom ho znova zapnete, tak se obnoví veškeré nastavení a tudíž nebudete muset znova pracně nastavovat barvy a mód.
     Pokud budete chtít nastavit jiné barvy LED, musíte tlačítko držet tak dlouho, dokud se nerozsvítí neony bílou barvou. Po rozsvícení LED bílou barvou a jejím zhasnutí můžete nastavovat barvy od začátku, tedy od LED číslo1.

SEZNAM SOUČÁSTEK:
R,G,B 2,5 KOhm
C1-C12 100nF (Keramický kondenzátor)
IC2 7805
IC1 PIC16F819
R1,R4,R7,R10 150 Ohm
R2,R3,R5,R6,R8,R9,R11,R12 100 Ohm
R13 10 KOhm
D1 1N4004
F1 Držák na pojistky
Pojistka 0,1A
JP1-JP4 Lámací lišty
LED 5 mm RGB-CA (5 mm RGB LED, společná anoda)
Krabička U-KP02
4x 1.5 m kabely RG-ALARM 04C BAL
2x Silikonové válce do tavicí pistole
1x Tlačítko
1x Vypínač
0.5 m Napájecí kabel
1x Konektor do zapalování
!! Pokud by někdo měl zájem o naprogramovaný procesor, za 200Kč + poštovné a balné mu ho zašlu !!
Dotazy a objednávky pište na admin@micro-ohm.net, web autora: www.micro-ohm.net


VÝROBA NEONU:
     Neon je na výrobu velmi jednoduchý. Vezměte si silikonový válec a z obou stran do něho vyvrtejte díry o průměru 5 mm. Jakmile to budete mít, tak do vyvrtaných dírek vložte RGB LED a vývody propojte s kabelem RG-ALARM 04C BAL. Poté musíte vyrobit krytky z plastu o průměru 7 mm, nejlépe na soustruhu. Do zhotovených krytek nasadíme silikonový válec a konce krytek zalijeme silikonem a necháme zaschnout. Po dokončení neonu nalepte na ploché strany krytek oboustranné lepicí pásky, pokud jej budete potřebovat. Hotový neon má délku cca 11 cm.